
📍 坐标:上海宝山
2024 年 7月,施总家井道施工到一半才联系到我们
由于没有和厂家提前对接
我们工程师上门测量发现
门头梁、圈梁等细节都需整改
同年12月,现场施工完成后再次上门复尺
当场直接签定合同
独立位置+土建井道+曳引对重龙门架封闭电梯
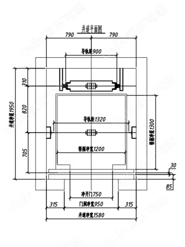
📐关键尺寸参数
✅层数:4层4站
✅井道外径 :1780 x 1770,对重侧置
✅电梯轿厢:1200 x 1400
✅自动中分门:800 x 1900
✨现场情况
施总是留了一个单独的位置做井道
与楼梯分布在不同的区域内
目前已在正常使用中!
家里老人上下楼方便又安全
💡装家用电梯一定要提前对接厂家规划,少走弯路避免返工,安装更省心






