
📍 坐标 :湖州安吉
2024年和吕总初步沟通,到同年7月敲定最终的安装方案
现场是双折楼梯的设计,在楼梯侧边单独做了土建井道,不占原有空间、不破坏原有结构
装的是一台封闭式曳引龙门架电梯
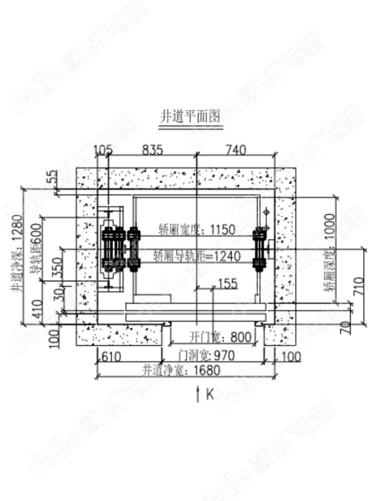
✅井道内径尺寸 : 1680 x 1280,对重侧置
✅电梯轿厢:1150 x 1000
重点!吕总特意要求开门尺寸大一点,直接安排自动旁开门800
目前电梯已经在正常使用中,颜值和实用性双在线~
家里是双折楼梯,想装电梯却不知道怎么留井道尺寸
可以参考吕总家的这套方案








