
📍 坐标:湖州安吉
2024年5月,邵总在建房打地基阶段
就提前联系我们规划电梯安装
工程师上门实地勘测,精准敲定电梯位置与尺寸
同年7月正式确定合作方案
双折楼梯对面+土建井道+曳引龙门架封闭电梯
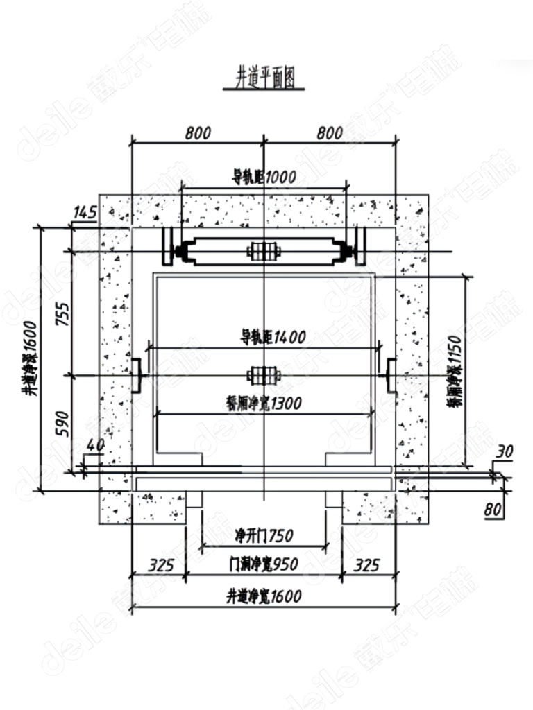
📐关键尺寸参数
✅井道内径 :1600 x 1600,对重后置
✅电梯轿厢:1300 x 1150
✅自动中分门:750 x 2050
✨现场情况
空间尺寸有限,一开始就确定做双折楼梯
我们针对性给出两个方案👇
楼梯旁边 / 楼梯对面,单独做土建井道
因楼梯边已有其他规划
最终确定在楼梯对面,设计1米6建方井道
全程按照专属图纸施工
目前电梯已正常投入使用1年+
这个方案,让邵总家的电梯楼梯都更加实用!








