
📍 坐标:苏州昆山
2023年9月开始和徐老板沟通对接
工程师上门实地测量,规划位置尺寸
同年10月敲定了安装方案
楼梯间+铝合金井道+曳引龙门架观光电梯
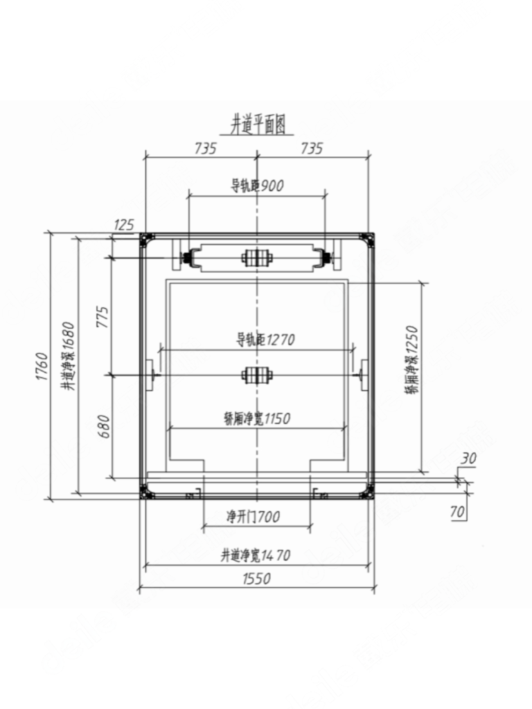
📐关键尺寸参数
✅井道外径 :1550 x 1760,对重后置
✅电梯轿厢:1150 x 1250
✅自动中分门:700 x 2050
✨现场情况
目前电梯已在正常使用中
轿厢空间宽敞通透
一家 6 口人可同时上下楼







